Less is More : 戈爾(GORE®) PolyVent Compact係列防水透氣產品,更小的體積帶來更卓越性能
Compact係列比通常使用的PolyVent汽車防水透氣產品體積縮小了約30%,為空間優先的超小型汽車電子部件提供了更高層次的保護。
戈爾Polyvent Compact係列(AVS 200)專為體積較小的汽車電子部件殼體而設計,能更便捷、快速地集成到殼體中。同時也可為傳感器、小型電機或控製單元等汽車敏感部件提供更高效的防護。
給更小、更輕的外殼提供更多的設計選擇
PolyVent Compact 係列防水透氣產品以更小的體積實現了更卓越的性能。PolyVent Compact係列比PolyVent的標準係列、高溫係列和高氣流係列體積縮小了30%左右,為更小(包括內部與外部空間)、更薄、更輕的殼體提供了理想的設計選擇方案。
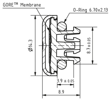
- PolyVent Compact係列防水透氣產品的直徑隻有14.3mm, 即便是殼體空隙非常有限時,也易於集成到設計更小巧的殼體中。
- PolyVent Compact係列防水透氣產品安裝高度隻有3.45mm(外部的凸起部分更少),buyizaoshoujixiechongjihuoshuiliupenshechongjideyingxiang,qietongchangbuxuyaoanzhuangbaohubi,jianhualeketisheji,jiangdilekaifachengben,ketiyegengnengshiyingyinqingzhaoneijiweixiaxiaodekongjian.
- PolyVent Compact係列采用的是先進的PolyVent材料技術,該技術的可靠性已在全球的汽車應用中得到了驗證,其主體材料即耐水型 PBT GF30能提供優異的機械穩定性以及耐高溫高濕性,並且其矽膠O型圈對於高要求的發動機油、液壓油和變速箱油的耐高溫性也極強,可承受高溫至+150 °C。
更高性能的材料,更可靠的防護
戈爾PolyVent Compact係列防水透氣產品能夠增強汽車敏感電子部件的可靠性,延長其使用壽命。憑借著嚴格的測試標準,PolyVent Compact係列為其先進的防護水平提供了保證。
- 增強型憎油性戈爾薄膜的設計使PolyVent Compact係列耐水壓性(WEP)提高 了30%左右,同時其氣流量和耐化學性與PolyVent 標準係列和高溫係列表現一樣優秀。
- PolyVent Compact係列采用的是先進的PolyVent材料技術,該技術的可靠性已在全球的汽車應用中得到了驗證,其主體材料即耐水型 PBT GF30能提供優異的機械穩定性以及耐高溫高濕性,並且其矽膠O型圈對於高要求的發動機油、液壓油和變速箱油的耐高溫性也極強,可承受高溫至+150 °C。
PolyVent Compact係列防水透氣產品以更小的體積帶來更卓越性能。針對汽車工業發展趨勢而設計的PolyVent Compact係列, 其卓越性能不僅超越了當今最嚴格的汽車行業測試標準,更能幫助OEMs從容應對未來保質周期更長、測試要求更為苛刻的雙重挑戰。
| 產品係列 | 戈爾PolyVent Compact係列 |
|---|---|
| 產品名稱 (及樣品次序號) | AVS 200 |
| 產品名稱 (係列生產號) | AMF200200 |
| 產品性能 | |
| 進水壓力(最小) 標準大氣 溫度和壓力 | > 80 kPA / 30 sec |
| 最小透氣量 標準大氣 溫度和壓力 | > 15 l / h at 7 kPa (≙ > 43 cm3 / min at 1.22 kPa) |
| 標準透氣量 標準大氣 溫度和壓力 | ∼ 28 l / h at 7 kPa (≙ ∼ 81 cm3 / min at 1.22 kPa) |
| 侵入防護等級 | IP6K6K, IP6K8, IP6K9K |
| 產品特性 | |
| 工作溫度 | Tmin = −40 °C Tmax = + 150 °C |
| 薄膜特性 | 憎油及憎水 |
| 殼體材質 | PBT-GF30 (抗水) |
| O型圈材料 | Silicone 50° Shore A |
| O型圈顏色 | Red |
| 設計和尺寸 | 安裝建議 |
![]() |
![]() |
欲知在您的應用中如何采用PolyVent Compact 係列,請聯係我們.
僅用於工業用途
不可用於食品、藥品、化妝品或醫療設備等的製造、加工或包裝作業

