GORE® 新產品PolyVent XS:結構緊湊、體積小巧、性能優異的防水透氣產品。
戈爾® 新產品PolyVent XS能夠更便捷地將可靠的透氣保護性能設計整合到小型(最大體積2升)戶外電子產品中。.
戈爾® 新產品PolyVent XS能夠更便捷地將可靠的透氣保護性能設計整合到小型(最大體積2升)戶外電子產品中。
作為戈爾®防水防塵透氣產品螺紋係列的新成員,戈爾® PolyVent XS結構緊湊、體積小巧,符合嚴格的性能標準。
它非常適合密集配置的電信、照明或嚴酷環境中的其它小型外殼。戈爾® PolyVent XS也很適合需要通過細小的防水透氣產品來保持外殼設計完整性的應用。
緊湊的形式意味著設計選擇更多,整合更容易
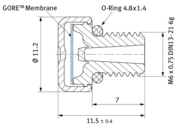
- 直徑更小 (11.2 mm)::
空間有限的情況下更容易整合。 - 安裝高度更低 (4.5 mm)::
受機械衝擊的影響更小。 - 螺紋高度較低 (7 mm)::
部件布局更靈活,可選用壁更薄的外殼。
經過驗證的性能符合嚴格標準
- 全麵阻燃性::
為提高安全性,所有部件(新款戈爾™透氣膜、防水透氣產品本體、蓋帽和O型圈材料)的安全等級評定皆為UL 94 V-0。 - 穩健的性能::
符合嚴格的工業標準,包括隨機振動測試和抗紫外線性能。 - 可靠的防護等級::
達到IP66、IP67和IP68(在2米深處浸泡1小時)。
放心地選擇GORE® PolyVent XS
每個戈爾® PolyVent XS都經過單獨檢查和激光標記,確保實際應用中100%的產品可追溯性和可靠性。
| 產品信息 | |
|---|---|
| 產品名稱 | PolyVent XS |
| 螺紋規格 | M6x0.75 |
| 產品編號 | PMF100600 |
| 產品性能特性 | |
| 典型透氣量 | 300 ml / min (dp = 70 mbar) |
| 覆膜:透氣膜/背襯材料 | 膨體聚四氟乙烯(ePTFE)/– |
| 透氣膜特性 | 憎油 |
| 防水透氣產品的本體和蓋帽:材料 | 聚酰胺(PA6/66) |
| 防水透氣產品的本體和蓋帽:顏色 | 黑色:RAL 9004 |
| 扭矩扳手尺寸 | 10 mm |
| O型圈材料 | 矽膠60邵氏硬度A |
| 鎖緊螺母:材料/顏色/部件號 | 不適用 |
| 可追溯性 | 是:單獨激光標記 |
| 設計規格 | |
| 單位為mm | ![]() |
| 安裝建議 | |
|
![]() |

